Pictured above is a 1000 gal Legacy Poly Norwesco Septic Tank installed along with 200′ of SB-2 lateral lines. This is a typical system for our area designed to handle a 3 bedroom home (sewage output of 6 person) in class 2 soil. The Inspection agencies judge size of tank and length of lateral lines based on the number of bedrooms (allows for 2 persons per bedroom), the square footage in the home, type of soil (how absorbent it is), and gallons of water per day to be treated.
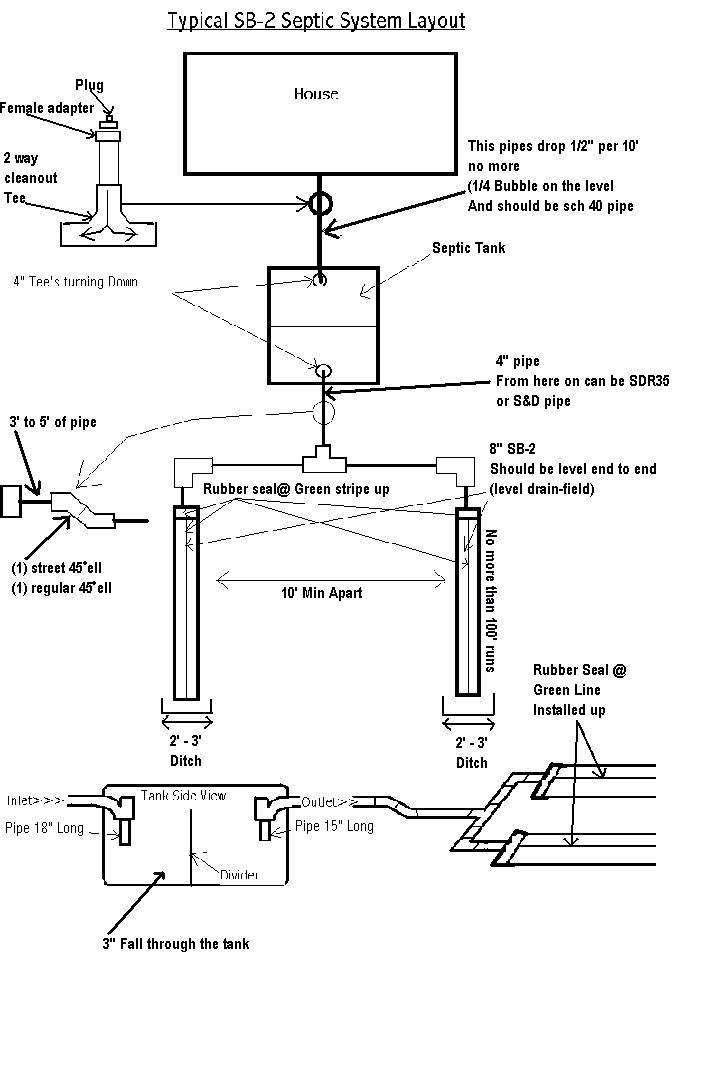
Notice in the diagram that there are a number of basic components to consider. As the sewer leaves the habitat, there should be a clean-out installed like pictured, usually a two way cleanout tee, female adapter fitting & plug. The tank & laterals should be positioned appropiately away from property lines and ANYONE’S water well in the area including your neighbors’. Think about future expansions, buildings, improvements you intend to make someday and make sure you have not put any of your system in harms way of those improvements. After efluent passes through the tank, there needs to be “drop” created with a pair of 45 degree ells. This keeps effluent sitting in the laterals from coming back to the tank. Diagram shows where two lateral line fingers have been installed, each one 100′ long (100′ maximum per finger). Each finger is level to each other, and level from end to end. We want to use laterals evenly and totally, not have one end of one finger doing all the work.
Before covering up, draw a detailed map with measurements to permanent landmarks for future reference. Keep it in a safe place.
Your inspector of the system will have the final say as to what you are to use and do in the job. So it’s adviseable to contact and consult with him/her before you actually purchase your materials so you’ve rounded up the right stuff. You also should check with the people who give you the “all clear” on digging. There’s underground dangers on your property you need to know about before you dig anywhere.
Feel free to call us for more information. The best, most stable installs are the ones done with proper excavating of the hole and water packing of the tank. There is a series of important steps to follow to do this correctly. We would be happy to share this information with you.
By the Way:
Manway extensions to make pumpout maintenance easier comes in 6″ tall, 15″ tall, 24″ tall and can be stacked in combinations to make various heights. Pumping out your system, getting rid of solids buildup prevents those solids from making it to the laterals. This can add years of life to your system as that keeps the laterals stay clear. The pumping out of the first chamber should be done every 4-5 years. You should think seriously about installing a manway in at least the first chamber, to make this job easier.
Aslo, anytime you know vehicles heavier than a riding lawnmower will drive on a septic tank, always use concrete ones.
Note: We can give you a list of qualified, licensed installers to quote with if you just ask us.
But for those brave “do-it-yourselfers” who won’t be using a professional to put in their septic system, we offer our help and the informational aids found on this website:




Reviews
There are no reviews yet.